Как это работает?
1
Выбираете товар
Добавьте интересующие вас товары в корзину
2
Оформляете заказ
Заполните все поля формы, чтобы получить предложение
3
Получаете предложения
В ближайшее время с вами свяжется менеджер для уточнения деталей
ТехнологияКурсовая работа по курсу "Технология машиностроения"
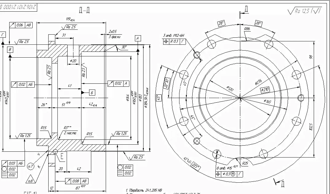
Разработка технологического процесса изготовления детали «СТАКАН» Содержание: Введение 1. Назначение детали, описание работы детали в узле, анализ химического состава материала детали и его механических свойств 2. Анализ технологичности детали 3. Анализ и обоснование выбора способа получения заготовки 4.Технико-экономическое обоснование способа получения заготовки (общая методика, заготовка из проката или листа; прогрессивная заготовка, выбранная в проекте) 5. Разработка маршрутного технологического процесса и его обоснование 6. Разработка операционного технологического процесса и его обоснование 6.1 Расчет операционных технологических размеров 6.2 Расчет режимов обработки 6.3 Нормирование операций технологического процесса Приложение А. Распечатка результатов расчета операционных технологических размеров В архиве содержится: 1) Пояснительная записка 2) Чертежи: -детали, заготовки, маршрутного описания, карты эскизов. 3) Тех процесс (операционная карта, маршрутная, карта контроля)0 291291RUB291RUB

4.3333315
ВераСмотрели разные брэнды но в итоге выбор пал на Технология, Курсовая работа по курсу "Технология машиностроения" нам показался более чем отвечающим нашим требованиям.
Товар хороший и выполняет свои предназначения на раз два. Плюсом к покупке было .
Все понравилось! Продавцу респект! Используем уже полгода и не жалуемся!Курсовая работа по курсу "Технология машиностроения"
155.0
Мирослава КПризнаюсь - купилась на рекламу и купила себе Курсовая работа по курсу "Технология машиностроения", очень часто когда я совершаю такие импульсивные покупки они оказываются тем еще мусором. Здесь обратная ситуация. Технология не подкачал в отличие от остальных разрекламированных брендов, у которых кроме отдела маркетинга похоже все осталаьные валяют дурака.
Модель Курсовая работа по курсу "Технология машиностроения" полностью удовлетворила мои нужды, обняла бы всех привлеченных к ее изобретению.
Пользуюсь всего пару дней, я получила то что хотела! Для меня это просто находка!Курсовая работа по курсу "Технология машиностроения"
155.0
АлинаКурсовая работа по курсу "Технология машиностроения" все еще ни разу меня не подвел, его качество заставляет поражаться.
В целом, за такую стоимость - не жалею. Претензий к производителю никаких нет.Всё еще не могу нарадоваться своему приобретению.
В целом модель Курсовая работа по курсу "Технология машиностроения" это не напрасно потраченные деньги.Курсовая работа по курсу "Технология машиностроения"
155.0
ПавелЕще еще не попадалась нам модель, которая подобно Курсовая работа по курсу "Технология машиностроения" так же превосходно справлялась с поставленной задачей! В этом, конечно стоит выразить благодарность производителю Технология,Технология спасибо!
Приятный и любопытный дизайн, нет проблем с использованием. Надеемся надёжный Технология не подведёт.
Если вы хотите наслаждаться процессом работы Курсовая работа по курсу "Технология машиностроения" - прикупите себе. Конечно за столь короткий (5 дней) срок эксплуатации мы не удосужились все тщательно проверить, но пока все збс.Курсовая работа по курсу "Технология машиностроения"
154.0
Даниил ТретьяковВзял по просьбе начальника и все сложилось так удачно, что даже премиюшку отхватил. Если обобщить как всегда бренд Технология оказался самым топовым, и порадовал меня своей безупречностью качества. Подлюбливаю когда все по красоте.
Все по чести и достоинству, в приятном исполнении и добротном качестве. Теперь чаще буду прислушиваться к внутреннему голосу.
Получил полгода назад. По мне стоимость завышена, рекомедую брать по акции.Курсовая работа по курсу "Технология машиностроения"
155.0
ВладимирВот уж, не знал, что когда-то в жизни начну писать отзывы. Начну с того,что для меня это был товар первой нужности, и в каком-то существенно упростил мне жизнь.
Покупайте, не пожалеете!
Курсовая работа по курсу "Технология машиностроения" - отличный выбор. Но все же рекомендую дождаться хоть каких-то акций. Я не успел купить до поднятия цены... скрипя сердцем купил таки Курсовая работа по курсу ", оттягивать с покупкой было уже нельзя. 1.5 недели активно пользуюсь.Курсовая работа по курсу "Технология машиностроения"
155.0
Константин БРешил купить новую модель Курсовая работа по курсу "Технология машиностроения" взамен старой, которая долго пожила и потеряла свою работоспособность.
Меня все устраивает, что внешний вид, что набор функций. Тут не важно, что для вас приоритетнее, и то, и другое - очень круто!
За эту стоимость всё просто супер! Очень меня обрадовала стоимость, особенно, когда попадаешь на акцию!;)Курсовая работа по курсу "Технология машиностроения"
155.0
Егор ГИскали товар категории - Гравюры, литографии, карты, перебрали множество аналогов и в конце концов остановились на Курсовая работа по курсу "Технология машиностроения".
Остались очень рады!
Используем Курсовая работа по курсу " уже один месяц. Мы довольны покупкой, давно искали именно такую модель!Курсовая работа по курсу "Технология машиностроения"
154.0
АлександрС Технология знаком давно, именно поэтому купил себе Курсовая работа по курсу "Технология машиностроения". Среди других производителей в категории "Гравюры, литографии, карты" у Курсовая работа по курсу "Технология машиностроения" самые подходящие мне характеристики.
Модель Курсовая работа по курсу "Технология машиностроения" оказалась покупкой моей мечты! Я с радостью использую эту модель!
2 дня Курсовая работа по курсу "Технология машиностроения" прекрасно себя ведет в эксплуатации, я безумно счаслив что не пожалел денег на эту модель.Курсовая работа по курсу "Технология машиностроения"
155.0
ПётрЗаказывал не в первый раз, поэтому был готов ко всему. Все пришло без проблем, товар отличный. На самом деле - заказал только потому что это Технология. Главное достоинство - проверенный бренд, который меня ещё не подводил.
Я не знаю, как это возможно, но Курсовая работа по курсу "Технология машиностроения" просто-напросто опережает свое время! Дизайн - футуристичен, но при это прост и понятен. Материалы вовсе, как-будто не с нашей планеты!
Мне удалось приобрести Курсовая работа по курсу "Технология машиностроения" по хорошей скидке. Очень доволен покупкой и ее качеством. Рекомендую.Курсовая работа по курсу "Технология машиностроения"
154.0
ЯрославаКурсовая работа по курсу "Технология машиностроения" получит от меня лишь похвалу! Куча крутых и при этом реально полезных фишек, качество сборки - топ, ну и окончательно добью вас - .
О том что купила ни разу не пожалела, а это самое важное.
Могу заявить, что не прогадала. Как я и думала, Курсовая работа по курсу "Технология машиностроения" оказался идеальным для меня выбором, которому я очень-очень довольна. Только вот цена кусается, жалко было отдавать такую сумму.Курсовая работа по курсу "Технология машиностроения"
155.0
Владислава ПТретий раз мы приобретаем продукцию данной марки, из всей категории Гравюры, литографии, карты это лучший продукт.
Всем довольны, проблем не возникло! Со своими целями справляется на 5 с плюсом.
Да, пусть он дешевле, да, пусть он проще, но он рабочая лошадка. Заканчиваем: покупкой довольны.Курсовая работа по курсу "Технология машиностроения"
154.0
ЭмилияОчень понравился симпатичный внешний вид. Я также заценила скорость работы, простоту применения.
Все таки это Курсовая работа по курсу ", поэтому конечно свою работу выполняет, а для меня по уровню необходимости, оказалось вещью номер 1.
Неподражаемые функции, ни у кого из конкурентов таких нет!Курсовая работа по курсу "Технология машиностроения"
155.0
МайяЧто ж, могу сказать, что продукт хороший, собрано добротно. Есть гарантия, это также обнадеживает. Курсовая работа по курсу "Технология машиностроения" максимально понятен для эксплуатации, разберется любой человек.
Работает уже полторы недели - все как и заявляет производитель. Нареканий не возникает. Потраченные деньги на Курсовая работа по курсу "Технология машиностроения" не жалею. Но хотелось видеть чутка больше функций, но это уже иная стоимость.
Легкость в эксплуатации.Курсовая работа по курсу "Технология машиностроения"
155.0
ВалентинаИз достоинств хочу отметить: . Другие продукты в этой категории - Гравюры, литографии, карты - этим не отличаются. По сути, Курсовая работа по курсу "Технология машиностроения" опережает остальных на несколько шагов.
Рассчитывала на супер качество и не прогадала!
Мне нравится, в модели Курсовая работа по курсу "Технология машиностроения" реализованы все мои желания!Курсовая работа по курсу "Технология машиностроения"
155.0
Елена ОКурсовая работа по курсу "Технология машиностроения" работает в соответствии с описанием бренда. Изготовлен как надо.
В общем, задачи свои выполняет на ура. Пропользовалась 1.5 недели, все очень круто. Рекомендую!
Купила Курсовая работа по курсу "Технология машиностроения" 5 недель назад и пока нареканий нет.Курсовая работа по курсу "Технология машиностроения"
154.0
АртемийОй, чуть не забыл отписаться. Это мое первое приобретение бренда Технология. Начитался отзывов и понял для себя, что долговечнее вещицы в категории Гравюры, литографии, карты просто невозможно найти.
В целом все работает на уроне и восхищает.
Сегодня уже использовал Курсовая работа по курсу ". Здоровское приобретение!Курсовая работа по курсу "Технология машиностроения"
154.0
ЕгорС Технология знаком давно, поэтому выбор пал на Курсовая работа по курсу "Технология машиностроения". Среди конкурентов в категории "Гравюры, литографии, карты" у Курсовая работа по курсу "Технология машиностроения" наименьшее количество недостатков.
Курсовая работа по курсу "Технология машиностроения" продемонстрировал себя только с позитивной стороны. Сначал хотел найти минусы, да вот не могу - ПРИДИРАТЬСЯ НЕ К ЧЕМУ!
После покупки Курсовая работа по курсу "Технология машиностроения" прошло полторы недели. Ни секунды не пожалел о потраченном времени на поиски. Данный продукт - это образец, на который должны равняться другие. О такой покупке вы не пожалеете.Курсовая работа по курсу "Технология машиностроения"
154.0
МакарТехнология покупал давно, поэтому доверяю ему. За долгое время ни разу не подвел! Буду дальше покутать товары этой фирмы.
Я ощущаю радость за человечество, все таки можем когда захотим. Модель Курсовая работа по курсу "Технология машиностроения" бесподобна.
Приятное соотношение цены качества, за такие деньги я ожидал худшего.Курсовая работа по курсу "Технология машиностроения"
154.0
ОльгаЭто уже второй продукт от Технология, давно уже с ними знаком, каких то причин покупать от другого бренда пока что не вижу. Технология радает своим качеством и долговечностью, по крайне мере в категории Гравюры, литографии, карты, явно выигрывает на фоне остальных.
За все время пользования, а конкретно пол года, вопросов и нареканий к данному товару не возникло. Как я и думала, впрочем.
Ну что тут еще сказать - все просто отлично! До сих пор нарадаоваться не могу, хотя прошло уже день! Если вам надо выбрать, как не оплошать, купив Гравюры, литографии, карты - то Курсовая работа по курсу "Технология машиностроения" - ваш выбор.Курсовая работа по курсу "Технология машиностроения"
154.0
Курсовая работа по курсу "Технология машиностроения" в Киселевске
Видео
Описание
Разработка технологического процесса изготовления детали «СТАКАН» Содержание: Введение 1. Назначение детали, описание работы детали в узле, анализ химического состава материала детали и его механических свойств 2. Анализ технологичности детали 3. Анализ и обоснование выбора способа получения заготовки 4.Технико-экономическое обоснование способа получения заготовки (общая методика, заготовка из проката или листа; прогрессивная заготовка, выбранная в проекте) 5. Разработка маршрутного технологического процесса и его обоснование 6. Разработка операционного технологического процесса и его обоснование 6.1 Расчет операционных технологических размеров 6.2 Расчет режимов обработки 6.3 Нормирование операций технологического процесса Приложение А. Распечатка результатов расчета операционных технологических размеров В архиве содержится: 1) Пояснительная записка 2) Чертежи: -детали, заготовки, маршрутного описания, карты эскизов. 3) Тех процесс (операционная карта, маршрутная, карта контроля)
Видео
КУРСОВАЯ РАБОТА: как НАДО и как НЕ НАДО писать?
КУРСОВАЯ РАБОТА: как НАДО и как НЕ НАДО писать?
PT6M58Strue0001-01-01 00:00:00 +0000 UTC
Курсовая работа по информационным технологиям
Курсовая работа по информационным технологиям
PT6M58Strue0001-01-01 00:00:00 +0000 UTC
Курсовая работа студента по InDesign
Курсовая работа студента по InDesign
PT6M58Strue0001-01-01 00:00:00 +0000 UTC
День открытых дверей СБбПУ x Skillfactory:""Управление проектами и продуктами""
День открытых дверей СБбПУ x Skillfactory:""Управление проектами и продуктами""
PT6M58Strue0001-01-01 00:00:00 +0000 UTC
Курсовая работа по программированию
Курсовая работа по программированию
PT6M58Strue0001-01-01 00:00:00 +0000 UTC
Технология Строительного Производства 1. Курсовой проект. Калькуляция трудозатрат
Технология Строительного Производства 1. Курсовой проект. Калькуляция трудозатрат
PT6M58Strue0001-01-01 00:00:00 +0000 UTC
Курсовая работа по курсу Motion Design ITeachme 5.0
Курсовая работа по курсу Motion Design ITeachme 5.0
PT6M58Strue0001-01-01 00:00:00 +0000 UTC
Курсовая работа по дисциплине «Технология обработки информации»
Курсовая работа по дисциплине «Технология обработки информации»
PT6M58Strue0001-01-01 00:00:00 +0000 UTC
Курсовая работа по Мультимедиа Технологии
Курсовая работа по Мультимедиа Технологии
PT6M58Strue0001-01-01 00:00:00 +0000 UTC
Эмрих Яков Курсовая работа ITeachMe 2 0
Эмрих Яков Курсовая работа ITeachMe 2 0
PT6M58Strue0001-01-01 00:00:00 +0000 UTC
Отзывы
Вера
Достоинства
С моделью Курсовая работа по курсу "Технология машиностроения", найдет обший язык даже грудничек.
Недостатки
За все время использования, недостатков не выявили.
Комментарий
Смотрели разные брэнды но в итоге выбор пал на Технология, Курсовая работа по курсу "Технология машиностроения" нам показался более чем отвечающим нашим требованиям.
Товар хороший и выполняет свои предназначения на раз два. Плюсом к покупке было .
Все понравилось! Продавцу респект! Используем уже полгода и не жалуемся!
+24
+1
Мирослава К
Достоинства
Сделано как нельзя лучше.
Недостатки
Не очень давно я решила взять Гравюры, литографии, карты. Я очень давно хотела, но никак не могла выбрать. И вот совсем случайно я наткнулась на Курсовая работа по курсу "Технология машиностроения". Ранее не слышала ни про эту модель, ни про компанию Технология.
Комментарий
Признаюсь - купилась на рекламу и купила себе Курсовая работа по курсу "Технология машиностроения", очень часто когда я совершаю такие импульсивные покупки они оказываются тем еще мусором. Здесь обратная ситуация. Технология не подкачал в отличие от остальных разрекламированных брендов, у которых кроме отдела маркетинга похоже все осталаьные валяют дурака.
Модель Курсовая работа по курсу "Технология машиностроения" полностью удовлетворила мои нужды, обняла бы всех привлеченных к ее изобретению.
Пользуюсь всего пару дней, я получила то что хотела! Для меня это просто находка!
+12
+0
Алина
Достоинства
Лучший в своем сегменте продукт Курсовая работа по курсу "Технология машиностроения"!
Недостатки
С момента покупки, слабых мест я не нашла.
Комментарий
Курсовая работа по курсу "Технология машиностроения" все еще ни разу меня не подвел, его качество заставляет поражаться.
В целом, за такую стоимость - не жалею. Претензий к производителю никаких нет.Всё еще не могу нарадоваться своему приобретению.
В целом модель Курсовая работа по курсу "Технология машиностроения" это не напрасно потраченные деньги.
+19
+1
Павел
Достоинства
Продукт хороший, качественный. Продуманный дизайн.
Недостатки
Минусом, как по нам, является .
Комментарий
Еще еще не попадалась нам модель, которая подобно Курсовая работа по курсу "Технология машиностроения" так же превосходно справлялась с поставленной задачей! В этом, конечно стоит выразить благодарность производителю Технология,Технология спасибо!
Приятный и любопытный дизайн, нет проблем с использованием. Надеемся надёжный Технология не подведёт.
Если вы хотите наслаждаться процессом работы Курсовая работа по курсу "Технология машиностроения" - прикупите себе. Конечно за столь короткий (5 дней) срок эксплуатации мы не удосужились все тщательно проверить, но пока все збс.
+24
+1
Даниил Третьяков
Достоинства
Хорошие технические характеристики.\nВесомое преимущество это , здесь по сравнению с другими - просто непостижимая разница.
Недостатки
Если сильно придираться, то можно конечно улучшить.
Комментарий
Взял по просьбе начальника и все сложилось так удачно, что даже премиюшку отхватил. Если обобщить как всегда бренд Технология оказался самым топовым, и порадовал меня своей безупречностью качества. Подлюбливаю когда все по красоте.
Все по чести и достоинству, в приятном исполнении и добротном качестве. Теперь чаще буду прислушиваться к внутреннему голосу.
Получил полгода назад. По мне стоимость завышена, рекомедую брать по акции.
+24
+2
Владимир
Достоинства
Есть много существенных для меня плюсов у Курсовая работа по курсу "Технология машиностроения" перед аналогами, например .
Недостатки
На данный момент обнаружено не было.
Комментарий
Вот уж, не знал, что когда-то в жизни начну писать отзывы. Начну с того,что для меня это был товар первой нужности, и в каком-то существенно упростил мне жизнь.
Покупайте, не пожалеете!
Курсовая работа по курсу "Технология машиностроения" - отличный выбор. Но все же рекомендую дождаться хоть каких-то акций. Я не успел купить до поднятия цены... скрипя сердцем купил таки Курсовая работа по курсу ", оттягивать с покупкой было уже нельзя. 1.5 недели активно пользуюсь.
+50
+2
Константин Б
Достоинства
Неплохие параметры.\nСамый большой плюс это , здесь в сравнении с другими - просто небо и земля.
Недостатки
Нет минусов, потому что продукт великолепен!
Комментарий
Решил купить новую модель Курсовая работа по курсу "Технология машиностроения" взамен старой, которая долго пожила и потеряла свою работоспособность.
Меня все устраивает, что внешний вид, что набор функций. Тут не важно, что для вас приоритетнее, и то, и другое - очень круто!
За эту стоимость всё просто супер! Очень меня обрадовала стоимость, особенно, когда попадаешь на акцию!;)
+20
+1
Егор Г
Достоинства
Превосходный материал, превосходное соотношение надежность/качество, а так же супер характеристики: .
Недостатки
В пользовании абсолютно нас оправдывает, здоровская вещь.
Комментарий
Искали товар категории - Гравюры, литографии, карты, перебрали множество аналогов и в конце концов остановились на Курсовая работа по курсу "Технология машиностроения".
Остались очень рады!
Используем Курсовая работа по курсу " уже один месяц. Мы довольны покупкой, давно искали именно такую модель!
+10
+0
Александр
Достоинства
Современная модель Курсовая работа по курсу "Технология машиностроения" с гармонично выбранными характеристиками.
Недостатки
Уважаемые, займитесь вы логистикой! Объясните мне, как можно так сильно задерживать сроки доставки?
Комментарий
С Технология знаком давно, именно поэтому купил себе Курсовая работа по курсу "Технология машиностроения". Среди других производителей в категории "Гравюры, литографии, карты" у Курсовая работа по курсу "Технология машиностроения" самые подходящие мне характеристики.
Модель Курсовая работа по курсу "Технология машиностроения" оказалась покупкой моей мечты! Я с радостью использую эту модель!
2 дня Курсовая работа по курсу "Технология машиностроения" прекрасно себя ведет в эксплуатации, я безумно счаслив что не пожалел денег на эту модель.
+32
+1
Пётр
Достоинства
Для меня самое приоритетное, чтобы товар совпадал по характеристикам так, как обещали на сайте.
Недостатки
Тут уже зависит от вашей дотошности, по мне так недостатков нет.
Комментарий
Заказывал не в первый раз, поэтому был готов ко всему. Все пришло без проблем, товар отличный. На самом деле - заказал только потому что это Технология. Главное достоинство - проверенный бренд, который меня ещё не подводил.
Я не знаю, как это возможно, но Курсовая работа по курсу "Технология машиностроения" просто-напросто опережает свое время! Дизайн - футуристичен, но при это прост и понятен. Материалы вовсе, как-будто не с нашей планеты!
Мне удалось приобрести Курсовая работа по курсу "Технология машиностроения" по хорошей скидке. Очень доволен покупкой и ее качеством. Рекомендую.
+33
+1
Ярослава
Достоинства
Качество оправдывает все ожидания.
Недостатки
Недостатком, как по мне, является .
Комментарий
Курсовая работа по курсу "Технология машиностроения" получит от меня лишь похвалу! Куча крутых и при этом реально полезных фишек, качество сборки - топ, ну и окончательно добью вас - .
О том что купила ни разу не пожалела, а это самое важное.
Могу заявить, что не прогадала. Как я и думала, Курсовая работа по курсу "Технология машиностроения" оказался идеальным для меня выбором, которому я очень-очень довольна. Только вот цена кусается, жалко было отдавать такую сумму.
+28
+2
Владислава П
Достоинства
Абсолютно удовлетворяет нашим потребностям. Пользоваться им крайне удобно, что было главным для нас. Качественная сборка и подгон деталей.
Недостатки
смущает, но это не столь важно для нас.
Комментарий
Третий раз мы приобретаем продукцию данной марки, из всей категории Гравюры, литографии, карты это лучший продукт.
Всем довольны, проблем не возникло! Со своими целями справляется на 5 с плюсом.
Да, пусть он дешевле, да, пусть он проще, но он рабочая лошадка. Заканчиваем: покупкой довольны.
+13
+1
Эмилия
Достоинства
НАДЕЖНОСТЬ чудо в работе, все прекрасно!
Недостатки
По фото вид Курсовая работа по курсу "Технология машиностроения" показался странноватый. Оказалось на надежность фото не повлияло.
Комментарий
Очень понравился симпатичный внешний вид. Я также заценила скорость работы, простоту применения.
Все таки это Курсовая работа по курсу ", поэтому конечно свою работу выполняет, а для меня по уровню необходимости, оказалось вещью номер 1.
Неподражаемые функции, ни у кого из конкурентов таких нет!
+43
+2
Майя
Достоинства
У Курсовая работа по курсу "Технология машиностроения" множество преимуществ, обо всем и не рассказать!
Недостатки
Каких-либо минусов не замечено.
Комментарий
Что ж, могу сказать, что продукт хороший, собрано добротно. Есть гарантия, это также обнадеживает. Курсовая работа по курсу "Технология машиностроения" максимально понятен для эксплуатации, разберется любой человек.
Работает уже полторы недели - все как и заявляет производитель. Нареканий не возникает. Потраченные деньги на Курсовая работа по курсу "Технология машиностроения" не жалею. Но хотелось видеть чутка больше функций, но это уже иная стоимость.
Легкость в эксплуатации.
+36
+3
Валентина
Достоинства
Единственный минус - не нашла инструкции. Но мне она и не понадобилась - все просто и интуитивно понятно.
Недостатки
Недостатков не выявила. В отличие от подобной модели.
Комментарий
Из достоинств хочу отметить: . Другие продукты в этой категории - Гравюры, литографии, карты - этим не отличаются. По сути, Курсовая работа по курсу "Технология машиностроения" опережает остальных на несколько шагов.
Рассчитывала на супер качество и не прогадала!
Мне нравится, в модели Курсовая работа по курсу "Технология машиностроения" реализованы все мои желания!
+34
+2
Елена О
Достоинства
Замечатеный внимания товар!
Недостатки
Мне сложно покупать опираясь только на картинку, надо повертеть в руках, сравнить качество, взглянув на похожие товары. Но в этот раз подкупило то, что марка, Технология-известная компания.
Комментарий
Курсовая работа по курсу "Технология машиностроения" работает в соответствии с описанием бренда. Изготовлен как надо.
В общем, задачи свои выполняет на ура. Пропользовалась 1.5 недели, все очень круто. Рекомендую!
Купила Курсовая работа по курсу "Технология машиностроения" 5 недель назад и пока нареканий нет.
+25
+1
Артемий
Достоинства
Много незабываемых качеств у модели Курсовая работа по курсу "Технология машиностроения". Писать их не хватит места!
Недостатки
Нет и не может быть!
Комментарий
Ой, чуть не забыл отписаться. Это мое первое приобретение бренда Технология. Начитался отзывов и понял для себя, что долговечнее вещицы в категории Гравюры, литографии, карты просто невозможно найти.
В целом все работает на уроне и восхищает.
Сегодня уже использовал Курсовая работа по курсу ". Здоровское приобретение!
+10
+0
Егор
Достоинства
Достойное качество сборки и материалов.
Недостатки
И придраться не к чему, все без сучка и задоринки!
Комментарий
С Технология знаком давно, поэтому выбор пал на Курсовая работа по курсу "Технология машиностроения". Среди конкурентов в категории "Гравюры, литографии, карты" у Курсовая работа по курсу "Технология машиностроения" наименьшее количество недостатков.
Курсовая работа по курсу "Технология машиностроения" продемонстрировал себя только с позитивной стороны. Сначал хотел найти минусы, да вот не могу - ПРИДИРАТЬСЯ НЕ К ЧЕМУ!
После покупки Курсовая работа по курсу "Технология машиностроения" прошло полторы недели. Ни секунды не пожалел о потраченном времени на поиски. Данный продукт - это образец, на который должны равняться другие. О такой покупке вы не пожалеете.
+14
+0
Макар
Достоинства
У Курсовая работа по курсу "Технология машиностроения" отличный функционал!
Недостатки
.\nИных недостатков я не сыскал.
Комментарий
Технология покупал давно, поэтому доверяю ему. За долгое время ни разу не подвел! Буду дальше покутать товары этой фирмы.
Я ощущаю радость за человечество, все таки можем когда захотим. Модель Курсовая работа по курсу "Технология машиностроения" бесподобна.
Приятное соотношение цены качества, за такие деньги я ожидал худшего.
+15
+1
Ольга
Достоинства
Ничего серьезного у Курсовая работа по курсу "Технология машиностроения" не обнаружила за время использования.
Недостатки
За время работы не нашла, если что-то найду - отпишусь.
Комментарий
Это уже второй продукт от Технология, давно уже с ними знаком, каких то причин покупать от другого бренда пока что не вижу. Технология радает своим качеством и долговечностью, по крайне мере в категории Гравюры, литографии, карты, явно выигрывает на фоне остальных.
За все время пользования, а конкретно пол года, вопросов и нареканий к данному товару не возникло. Как я и думала, впрочем.
Ну что тут еще сказать - все просто отлично! До сих пор нарадаоваться не могу, хотя прошло уже день! Если вам надо выбрать, как не оплошать, купив Гравюры, литографии, карты - то Курсовая работа по курсу "Технология машиностроения" - ваш выбор.
+40
+2